商品信息
基本参数
- 产地山东
- 品牌
- 产品型号
- 产品操作
- 产品应用范围
- 产品材料等级
- 产品表面处理
- 品牌索蒙自控
- 型号Q941H-16C
- 材质碳钢
- 阀瓣开启高度90°
- 驱动方式电动
- 连接形式法兰
- 压力环境常压
- 工作温度区间-20―120°
- 特殊功能防腐蚀
- 零部件及配件电动执行器
- 外形尺寸15-300mm
- 形态蝶阀
- 适用介质水,化工,脱硫脱硝
- 结构形式蝶阀
- 用途用于管道介质
- 流动方向双向
- 公称通径15-300mm
- 规格100mm
- 工作温度常温
- 口径100
- 产地上海
产品简介:
产品详情:电动蝶阀特征:1.新颖合理的设计,与众不同的构造,重量轻,启闭很快。2,可调的电动蝶阀,工作扭矩小,操作便利,省力,智能;3。可以用到不同的密封座来满足不同的低压,中压和高压,不同的介质温度或腐蚀性介质等4。执行器配有双重限制保护,过热保护和过载保护5。智能数控,内置模块使用先进的计算机单片机和智能控制软件,直接接收计算机或工业仪器等装置输出的标准化信号,实现智能控制和阀门开度的可靠定位。
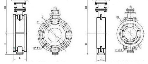
设计标准化[GB/T12238-1989JB/T8692-1998]法兰连通大小[GB/T9115.1-2000]构造尺寸[h:GB/T12221-1989】压力试验【GB/T13927-1992;JB/T9092-1999]
电动法兰调节蝶阀构造图电动对夹式调节蝶阀结构图
电动蝶阀技术参数:
